Grohe là nhãn hiệu thiết bị vệ sinh cao cấp nhất thế giới về sen vòi bởi chất lượng, tính thẩm mỹ, tính chính xác và sự độc đáo.
Thông tin cơ bản về vòi hoa sen nóng lạnh Đức Grohe 34492000:
- ✅Tên sản phẩm: Sen tắm nóng lạnh
- ✅Mã sản phẩm: 34492000
- ✅Nhãn hiệu: Grohe
- ✅Chất liệu: Đồng mạ chrome
- ✅Màu sắc: Chrome
- ✅Hoàn thiện bên ngoài: Chrome GROHE StarLight
- ✅Kiểu dáng: Thiết kế treo tường
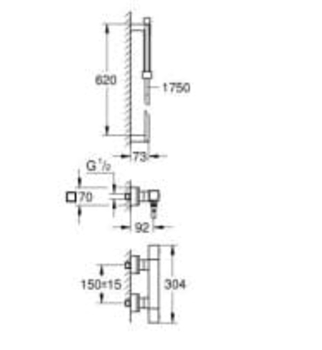
- ✅Thanh trượt dài 600 mm (27 892)
- ✅Áp suất tối thiểu 1,0 bar
- ✅Dây sen Silverflex dài 1750 mm (28 388 000)
- ✅Tốc độ dòng chảy tối đâ 9.5 l/min
- ✅Tay sen Euphoria Cube (27 699 000)
- ✅Bộ vòi sen Euphoria Cube
- ✅Chức năng: 2 đường nước nóng lạnh
- ✅Xuất xứ: Đức
- ✅Bảo hành:

Hình ảnh: Vòi Hoa Sen Nóng Lạnh Đức Grohe 34492000
Tính năng nổi bật sen tắm Grohe 34492000:
- ✅Lõi van chắc chắn GROHE TurboStat kèm cảm biến nhiệt
- ✅Công nghệ GROHE EcoJoy tiết kiệm nước và đảm bảo lưu lượng hoàn hảo
- ✅Tích hợp van ngắt nước kết hợp
- ✅Tay cầm điều khiển lượng nước EcoButton (nút tiết kiệm nước có chức năng dừng cấp nước điều chỉnh được đơn lẻ)n
- ✅Nút an toàn GROHE SafeStop giới hạn nhiệt độ ở mức 38°C (cần căn chỉnh)
- ✅Tích hợp van một chiều
- ✅Bộ lọc bụi bẩn
- ✅Kèm theo đầu nối dây sen
- ✅Bảo vệ chống chảy ngược
Thông số kỹ thuật sen tắm nóng lạnh Đức Grohe 34492000
- ✅Trọng lượng sản phẩm: 4,52 Kg
- ✅Kích thước sen tắm: 77,8 x 29,4 x 13,5 cm
Bản vẽ kỹ thuật sen tắm nóng lanh nhập khẩu Đức Grohe 34492000:

Hình ảnh: Bản vẽ sen tắm Đức Grohe 34492000
Bạn nên xem thêm:
Thiết bị vệ sinh cao cấp LuxBath tự hào là nhà cung cấp Vòi Hoa Sen Nóng Lạnh Đức Grohe 34492000 với giá thấp nhất, dịch vụ sau bán hàng tốt nhất trên thị trường.
Thông tin chi tiết liên hệ:
CÔNG TY CỔ PHẦN QUỐC TẾ LUXBATH
Liên hệ hotline 0 9 8 9 1 2 3 7 8 8 để nhận nhiều ưu đãi!