Grohe là nhãn hiệu thiết bị vệ sinh cao cấp nhất thế giới về sen vòi bởi chất lượng, tính thẩm mỹ, tính chính xác và sự độc đáo.
Thông tin cơ bản về két nước âm Grohe 38519001:
- ✅Tên sản phẩm: Két nước âm
- ✅Mã sản phẩm: 38519001
- ✅Nhãn hiệu: Grohe
- ✅Chất liệu: nhựa
- ✅Màu sắc: trắng
- ✅Kiểu dáng: lắp đặt âm tường
- ✅Xuất xứ: Đức
- ✅Bảo hành:

Hình ảnh: Két nước âm tườngGrohe 38519001
- ✅Chế độ xả nước tiết kiệm 6-9L.
Thông số kỹ thuật két nước âm tường Grohe 38519001:
- ✅Trọng lượng sản phẩm:
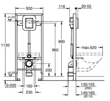
- ✅Chiều cao: 1130mm
- ✅Chiều từ tường ra: mm
- ✅Chiều ngang: 500mm
Bản vẽ kỹ thuật két nước bồn cầu âm tường Grohe 38519001:
.jpg)
Hình ảnh: Bản vẽ kỹ thuật két nước âm tường Grohe 38519001
Bạn nên xem thêm:
Thiết bị vệ sinh cao cấp LuxBath tự hào là nhà cung cấp linh phụ kiện Grohe 38519001 với giá thấp nhất, dịch vụ sau bán hàng tốt nhất trên thị trường.
Thông tin chi tiết liên hệ:
CÔNG TY CỔ PHẦN QUỐC TẾ LUXBATH
Liên hệ hotline 0 9 8 9 1 2 3 7 8 8 để nhận nhiều ưu đãi!