Paulschmitt là nhãn hiệu thiết bị vệ sinh cao cấp nhất thế giới về sen vòi bởi chất lượng, tính thẩm mỹ, tính chính xác và sự độc đáo.
Thông tin cơ bản về củ sen tắm Paulschmitt PA012B:
- ✅Tên sản phẩm: củ sen tắm
- ✅Mã sản phẩm: PA012B
- ✅Chức năng: Nóng lạnh
- ✅Áp lực nước: 0,07MPa ~ 0,75MPa
- ✅Bề mặt: PVD Chrome 7 lớp
- ✅Lõi trộn: SEDAL (Tây Ban Nha)
- ✅Bảo hành: 5 năm
- ✅Thiết kế hiện đại, sang trọng
- ✅Sản phẩm bền vững, dễ dàng vệ sinh
- ✅Hãng sản xuất: Paul Schmitt
- ✅Công nghệ sản xuất: Mỹ
- ✅Sản xuất tại: Trung Quốc

Hình ảnh: Củ sen tắm Paulschmitt PA012B
Tính năng nổi bật sen tắm Paulschmitt PA012B:
- ✅Thiết kế hiện đại, sang trọng
- ✅Sản phẩm bền vững, dễ dàng vệ sinh
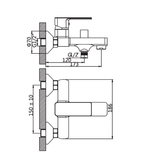
Thông số kỹ thuật thân sen tắm Paulschmitt PA012B:
- ✅Chiều cao: mm
- ✅Chiều từ tường ra: mm
Bản vẽ kỹ thuật củ sen Paulschmitt PA012B:
.jpg)
Hình ảnh: Bản vẽ kỹ thuật củ sen tắm Paulschmitt PA012B
Bạn nên xem thêm:
- Bảng giá sen vòi Paulschmitt mới cập nhật
- Catalogue Paulschmitt mới nhất
Thiết bị vệ sinh cao cấp LuxBath tự hào là nhà cung cấp sen tắm Paulschmitt PA012B với giá thấp nhất, dịch vụ sau bán hàng tốt nhất trên thị trường.
Thông tin chi tiết liên hệ:
CÔNG TY CỔ PHẦN QUỐC TẾ LUXBATH
Liên hệ hotline 0 9 8 9 1 2 3 7 8 8 để nhận nhiều ưu đãi!