Cotto là nhãn hiệu thiết bị vệ sinh cao cấp số 1 tại Thái Lan về thiết bị vệ sinh bởi chất lượng, tính thẩm mỹ, tính chính xác và sự độc đáo.
Trải qua gần 30 năm xây dựng và phát triển, Cotto sở hữu hơn 1000 bản quyền phát minh kỹ thuật và thiết kế kiểu dáng trên toàn cầu.
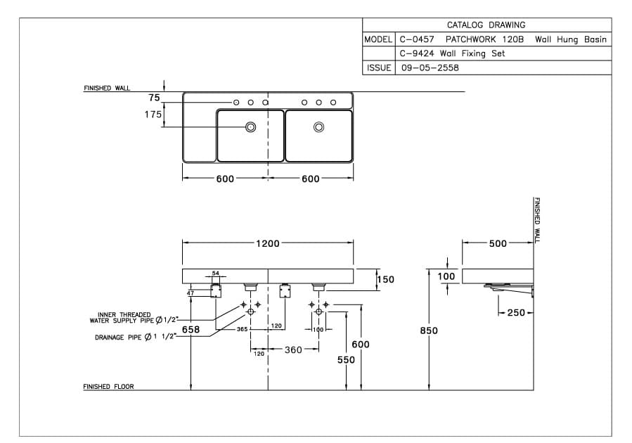
Thông tin cơ bản về chậu lavabo Cotto C0458:
- ✅Tên sản phẩm: chậu lavabo
- ✅Mã sản phẩm: C0458
- ✅Chất liệu: Men sứ kháng khuẩn, chất lượng
- ✅Kiểu dáng: chậu đặt bàn
- ✅Thương hiệu: Cotto
- ✅Xuất xứ: Thái Lan

Tính năng nổi bật chậu Cotto C0458:
- ✅Thiết kế tinh tế, tiện nghi và tiết kiệm cho người sử dụng
- ✅Công nghệ kháng khuẩn Ultra Clean+ ức chế sự phát triển của vi khuẩn lên đến 99% trong 24h và bề mặt bóng mịn.
- ✅Dễ dàng lắp đặt và sử dụng.
Thông số kỹ thuật chậu rửa mặt Cotto C0458:
- ✅Trọng lượng sản phẩm: kg
- ✅Kích thước: 500 x 1200 x 100 mm+H257:H258
- ✅Kích thước lỗ thoát nước: mm
Bản vẽ kỹ thuật chậu lavabo Cotto C0458:
.jpg)
Hình ảnh: chậu treo tường Cotto C0458
Thiết bị vệ sinh cao cấp LuxBath tự hào là nhà cung cấp chậu Cotto C0458 với giá thấp nhất, dịch vụ sau bán hàng tốt nhất trên thị trường.
Thông tin chi tiết liên hệ:
CÔNG TY CỔ PHẦN QUỐC TẾ LUXBATH
Liên hệ hotline 0 9 8 9 1 2 3 7 8 8 để nhận nhiều ưu đãi!