Cotto là nhãn hiệu thiết bị vệ sinh cao cấp nhất thế giới về sen vòi bởi chất lượng, tính thẩm mỹ, tính chính xác và sự độc đáo.
Thông tin cơ bản về cây sen tắm Cotto CT623Z94Z10D#BL:
- ✅Tên sản phẩm: Cây sen tắm
- ✅Mã sản phẩm: CT623Z94Z10D#BL
- ✅Nhãn hiệu: Cotto
- ✅Chất liệu: Đồng thau, nhựa ABS
- ✅Lớp mạ: Crom, Niken
- ✅Áp lực nước: 0.05MPa ~ 0.75MPa
- ✅Bao gồm: Thân cây tắm đứng, Tay sen, dây sen
- ✅Bát sen 1 chức năng
- ✅Xuất xứ: Thái Lan
✅Bảo hành:

Tính năng nổi bật cây sen tắm Cotto CT623Z94Z10D#BL:
- ✅Bát sen lớn rộng, bao phủ toàn bộ thân người
- ✅Bát sen nhỏ có 3 chức năng, có thể thay đổi tuỳ theo nhu cầu sử dụng
- ✅Có thể chuyển đổi linh hoạt 2 chức năng của bát sen bằng nút xoay dễ dàng
- ✅Gá sen có thể điều chỉnh lên xuống linh hoạt, thích hợp với chiều cao cả gia đình
- ✅Dây sen bằng nõ 304 chống xoắn, chống gỉ và chống rỉ nước
- ✅Đầu sen làm bằng silicon dễ vệ sinh
Thông số kỹ thuật cây sen đứng Cotto CT623Z94Z10D#BL:
- ✅Chiều cao thân sen: mm
- ✅Kích thước bát sen lớn: mm
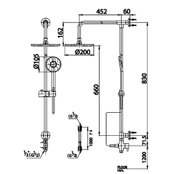
Bản vẽ kỹ thuật cây sen tắm Cotto CT623Z94Z10D#BL:
.jpg)
Hình ảnh: Bản vẽ thân cây sen Cottto CT623Z94Z10D#BL
Thiết bị vệ sinh cao cấp LuxBath tự hào là nhà cung cấp cây sen Cotto CT623Z94Z10D#BL với giá thấp nhất, dịch vụ sau bán hàng tốt nhất trên thị trường.
Thông tin chi tiết liên hệ:
CÔNG TY CỔ PHẦN QUỐC TẾ LUXBATH
Liên hệ hotline 0 9 8 9 1 2 3 7 8 8 để nhận nhiều ưu đãi!