Grohe là nhãn hiệu thiết bị vệ sinh cao cấp nhất thế giới về sen vòi bởi chất lượng, tính thẩm mỹ, tính chính xác và sự độc đáo.
Thông tin cơ bản về bát sen tắm gắn trần Đức Grohe 26802AL0:
- ✅Tên sản phẩm: Bát sen tắm
- ✅Mã sản phẩm: 26802AL0
- ✅Nhãn hiệu: Grohe
- ✅Chất liệu: Đồng mạ crom
- ✅Màu sắc: chrome
- ✅Kiểu dáng: Thiết kế gắn trần
- ✅Áp suất tối thiểu 1,0 bar
- ✅Chức năng:
- ✅Xuất xứ: Đức
- ✅Bảo hành:
.jpg)
Hình ảnh: Bát sen tắn gắn trần Đức Grohe 26802AL0
- ✅DreamSpray: cung cấp độ chính xác tối đa cho các tia nước khi qua vòi phun.
- ✅Starlight : Bề mặt sáng bóng theo thời gian từ lớp phủ mờ sang trọng
- ✅SpeedClean: Chống vôi hóa
Thông số kỹ thuật thanh nối bát sen gắn trần Grohe 26802AL0:
- ✅Trọng lượng sản phẩm:
- ✅Kích thước: mm
- ✅Chiều rộng: mm
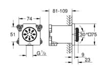
Bản vẽ kỹ thuật bát sen tắm Đức Grohe 26802AL0:
.jpg)
Hình ảnh: Bản vẽ kỹ thuật bát sen tắm Đức Grohe 26802AL0
Bạn nên xem thêm:
Thiết bị vệ sinh cao cấp LuxBath tự hào là nhà cung cấp bát sen tắm Đức Grohe 26802AL0 với giá thấp nhất, dịch vụ sau bán hàng tốt nhất trên thị trường.
Thông tin chi tiết liên hệ:
CÔNG TY CỔ PHẦN QUỐC TẾ LUXBATH
Liên hệ hotline 0 9 8 9 1 2 3 7 8 8 để nhận nhiều ưu đãi!